Пройти через шторм: как подготовить корабль и экипаж (7 фото)
Когда над океаном сгущаются тучи и барометр резко падает, опытные моряки знают – пришло время готовиться к испытанию. Штормовая погода требует не только мужества, но и тщательной подготовки, которая начинается задолго до выхода в открытое море.
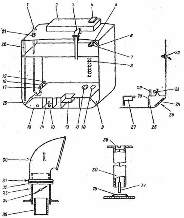
Конструкция трюма с льялами (обозначены на схеме под номером 9)
Подготовка к шторму: все проверить и закрепить
Ещё у причала капитан и его команда проводят тщательную проверку всего судна. Первым делом осматривают корпус — нет ли повреждений, которые могут усугубиться в шторм. Особое внимание уделяют грузовым трюмам: проверяют льяла (специальные углубления для сбора воды) и приёмные сетки, чтобы убедиться, что в случае попадания воды в трюм её можно будет быстро откачать.
Груз размещают с особой тщательностью. Каждый ящик, каждый контейнер должен быть надёжно закреплён. Смещение груза в шторм может привести к опасному крену или даже опрокидыванию судна.
Пример схемы крепления контейнеров нижних уровней
Танки либо полностью заполняют, либо оставляют пустыми — это предотвращает возникновение внутри свободной поверхности жидкости, которое может привести к потере остойчивости судна. Все люки, горловины и двери проверяют на герметичность — одна незакрытая крышка может стать роковой ошибкой.
Когда судно уже в море, а прогноз предупреждает о приближении непогоды, экипаж переходит к экстренным мерам. На палубе команда проверяет крепление всего, что может быть сорвано ветром: антенн, спасательных шлюпок, оборудования. Даже мелочи вроде инструментов в кладовых и посуды на камбузе фиксируют дополнительно — в шторм любой незакреплённый предмет становится опасным снарядом.
Походное крепление шлюпки
Якорные цепи надёжно стопорят, а клюзы закрывают крышками, чтобы волны не залили цепные ящики. Все двери и иллюминаторы, ведущие на открытую палубу, герметично задраивают. Вентиляционные дефлекторы закрывают брезентовыми чехлами, разворачивая их по ветру, чтобы уменьшить попадание воды.
Особое внимание уделяют системам водоотлива. Проверяют все насосы, очищают льяльные колодцы — в шторм система откачки может стать последней надеждой, если вода начнёт поступать внутрь. На палубе протягивают штормовые леера — прочные тросы, за которые можно держаться, перемещаясь по палубе.
Леерное устройство бригантины, установленное на фальшборте для защиты экипажа от падения за борт
Штормовая навигация: курс на выживание
Ещё до того, как ветер достигнет ураганной силы, капитан изучает карты и прогнозы, выбирая оптимальный маршрут. Если есть возможность обойти зону шторма — меняют курс. Когда уклонение невозможно, готовятся к встрече со стихией.
Судоводители постоянно следят за метеокартами, принимая прогнозы с береговых станций. Они знают: в шторм главное — не допустить резонансной качки. Для этого тщательно рассчитывают скорость и курс, используя специальные штормовые диаграммы. Иногда достаточно немного изменить скорость или скорректировать курс на несколько градусов, чтобы избежать риска опрокидывания судна.
Пример штормовой диаграммы
Когда шторм настигает: действия экипажа
В разгар непогоды все члены экипажа находятся на своих местах. Машинное отделение работает в усиленном режиме — механики следят, чтобы двигатель не вышел из строя под нагрузкой. Рулевые удерживают судно на курсе. На мостике капитан и штурманы анализируют ситуацию, находясь в готовности в любой момент изменить тактику.
В жилых помещениях моряки крепят всё, что может упасть. На небольших и парусных судах койки часто имеют специальные штормовые ремни, чтобы спящих не выбросило на пол во время сильной качки. На камбузе прекращают готовить — раскалённая плита в шторм становится опасной.
Жилое помещение на корабле
После шторма: проверка последствий
Когда ветер стихает, а волны успокаиваются, работа не заканчивается. Экипаж проводит тщательный осмотр судна и его груза на предмет повреждений. Особое внимание уделяется рулевому устройству и двигателю: их состояние определяет, сможет ли судно продолжить рейс.
Опытные капитаны говорят, что ни один шторм не проходит бесследно. Но благодаря грамотной подготовке и слаженным действиям экипажа даже самая свирепая буря становится всего лишь испытанием, которое делает моряков и их корабли ещё крепче. Ведь море не прощает ошибок, но уважает тех, кто подходит к делу со всей серьёзностью.


















